输入输出系统

概述

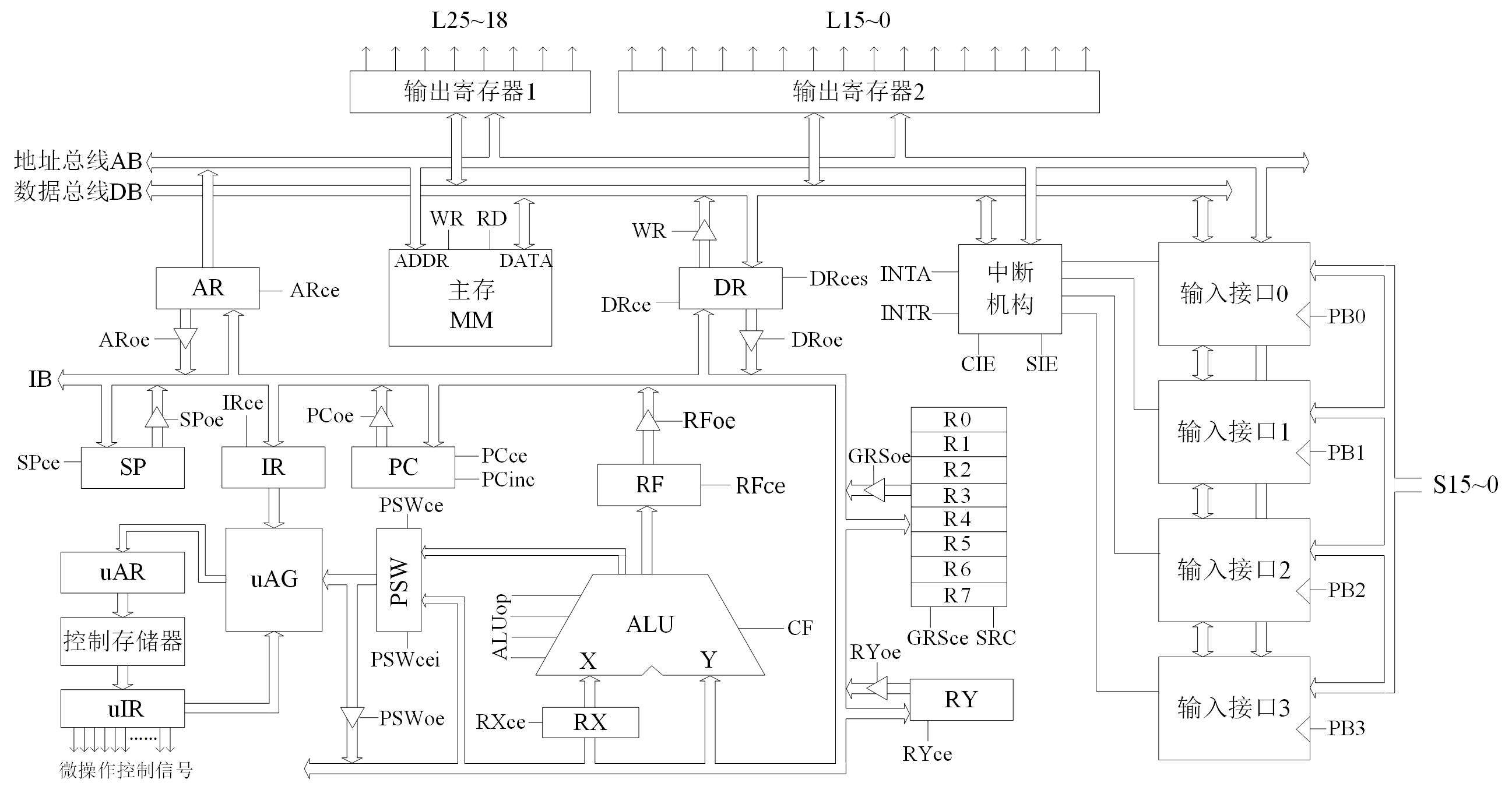
输入输出系统设计了4个输入接口,2个输出接口;还可扩充其它接口,如七段数码管的输出接口,如图 1

图27
图 1. 输入输出系统框图

输入输出接口和主存统一编址,占用主存空间的FF00H~FFFFH共256个地址。图 1的接口地址见表 1

表 1. JUC-3输入输出接口地址表
接口地址 有效位数 名称 说明

FF00H

4

中断屏蔽寄存器

对应4个中断源的屏蔽位,置1表示屏蔽

FF01H

8

输出数据寄存器1

接指示灯L[25:18]

FF02H

16

输出数据寄存器2

接指示灯L[15:0]

FF03H

4

输入状态寄存器

对应4个输入接口的状态位

FF04H

16

输入数据寄存器0

由按键PB0将开关S15~S0数据打入

FF05H

16

输入数据寄存器1

由按键PB1将开关S15~S0数据打入

FF06H

16

输入数据寄存器2

由按键PB2将开关S15~S0数据打入

FF07H

16

输入数据寄存器3

由按键PB3将开关S15~S0数据打入

另外,为了与JUC-II兼容,保留了JUC-II的输入接口地址,见表 2 。虽然输入数据寄存器1~4中的每个寄存器分别有JUC-3的接口地址和JUC-II的接口地址,但硬件寄存器是同一个。JUC-II有4个状态寄存器,每个状态寄存器只有1位,对应一个输入接口;而JUC-3用一个状态寄存器的4位对应4个输入接口的状态,能够更高效地查询输入接口的状态。同样,状态寄存器的硬件只有一个,JUC-3和JUC-II只是接口地址不同。

表 2. 兼容JUC-II的输入接口地址表
接口地址 有效位数 名称 说明

FF08H

16

输入数据寄存器0

由按键PB0将开关S15~S0数据打入

FF09H

1

输入状态寄存器0

为1表示输入数据寄存器0有新数据

FF0AH

16

输入数据寄存器1

由按键PB1将开关S15~S0数据打入

FF0BH

1

输入状态寄存器1

为1表示输入数据寄存器1有新数据

FF0CH

16

输入数据寄存器2

由按键PB2将开关S15~S0数据打入

FF0DH

1

输入状态寄存器2

为1表示输入数据寄存器2有新数据

FF0EH

16

输入数据寄存器3

由按键PB3将开关S15~S0数据打入

FF0FH

1

输入状态寄存器3

为1表示输入数据寄存器3有新数据

输入输出接口

输出接口

输出接口可以用来连接实验板上的LED指示灯,如虚拟实验板有36个可设置为红色或绿色的LED指示灯。模型机系统设计了2个数据寄存器作为输出接口, 1个8位接口寄存器的输出端连接到8个绿色LED,1个16位接口寄存器的输出端连接到16个红色LED,寄存器的输入端与系统数据总线相连,CPU不仅可以输出数据改变LED的状态,也可以从寄存器读回数据。输出接口的逻辑框图见图 2,其中“写入”由该接口的地址译码信号和主存写信号相与产生,“读出”由该接口的地址译码信号和主存读信号相与产生。

图28
图 2. 输出接口逻辑框图

输入接口

输入接口可以用来连接实验板上的拨动开关。如虚拟实验板有36个拨动开关和20个按键,模型机系统设计了4个输入接口连接到这些拨动开关和按键。每个输入接口含有1个16位的数据寄存器和1个1位的状态寄存器,如图 3所示。4个输入接口的时钟分别连接到虚拟实验板的PB0~PB3四个按键,而输入数据则共用16个拨动开关。

图29
图 3. 输入接口逻辑框图

当按下某一个PB[i]按键时,将16个拨动开关作为数据打入该接口的数据寄存器,同时状态寄存器置1;状态寄存器的输出Ready[i]可以作为中断请求送给中断控制器;CPU读该接口数据寄存器时,数据寄存器读信号打开三态门,将数据寄存器的内容输出到DB数据总线,同时将状态寄存器清零。

4个输入接口共用一个“状态寄存器”地址,由4个输入接口的状态位拼接成一个4位状态字,可以由CPU通过数据总线读出。如图 4,实际上这里并没有“寄存器”,只有三态缓冲器将4个输入接口中的状态寄存器的输出Ready[i]输出到数据总线上。

图30
图 4. 输入接口状态字的读出电路

实战:查询方式输入

下面的程序是一个查询输入程序。它首先测试开关输入接口0的状态寄存器,如果有数据则读出开关输入接口的内容并送给红色LED接口显示。

ORG 0030H
ADDR1: TEST #0001H,FF09H ;测试状态寄存器0的最低位
JZ ADDR1          ;如果为0继续查询,否则顺序执行
MOV FF08H,FF02H   ;将开关数据寄存器0的数据反映到红色LED
JMP ADDR1

TEST指令与AND指令类似,只是逻辑与的结果不保存到目的操作数,但是影响PSW中的标志位。和CMP指令一样,编程时TEST指令通常与条件转移指令配合使用。

上面程序运行时如果没有输入数据,则循环测试状态寄存器;然后用拨动开关设置输入数据,按下PB0键将数据保存在输入寄存器中,此时测试状态寄存器为1,因此结束循环,执行MOV指令将输入数据寄存器0的值(开关输入的数据)显示在红色LED上。

中断

中断控制器

中断控制器的组成如图 5所示。中断屏蔽寄存器的地址是FF00H,因为模型计算机的外设与主存统一编址,故可以使用MOV指令访问FF00H地址实现对中断屏蔽寄存器写入或读出。

图31
图 5. 中断控制器组成框图

中断系统采用向量中断方式,当CPU响应中断时,发出INTA信号,将中断向量地址(向量编码)送到数据总线。中断向量表的首地址是0000H,每个中断向量占用一个存储单元,存放该中断服务程序的入口地址。向量地址与中断源的对应关系见表 3

表 3. 中断向量地址

中断源

向量地址

INTR0

0000H

INTR1

0001H

INTR2

0002H

INTR3

0003H

允许中断触发器

CPU内部有一个允许中断触发器IE,用来控制是否响应中断。IE可以由一个带有清0和置1端口的D触发器实现。

中断相关的指令

中断相关的指令有开中断指令EI(Enable Interrupt)、关中断指令DI(Disable Interrupt)和中断返回指令RETI。EI和DI指令使允许中断触发器置1或清0。此外还有处理中断响应的操作类似于一条指令,称为中断隐指令。

指令执行结束时的中断检测(BM1)

每条指令执行结束时,检测是否有中断请求(INTR有效)并且CPU是否允许中断(IE有效),如果是,则µAR7 =1;否则µAR7 =0。微地址的形成逻辑为:

µAR8,6-0 = NA8,6-0

µAR7 = INTR·IE

假设NA=000H,则两分支的微地址分别是000H和080H,080H是中断隐指令的微程序入口。

支持中断的JUC-3扩展

数据通路和微命令的扩充

图 6是增加了输入输出的JUC-3教学模型计算机的结构,和基本模块的数据通路相比,增加了输入输出接口和中断机构,因为在中断过程中需要将PSW保存到堆栈,增加了PSW和内部总线之间的连接通路。

JUC3数据通路原理图加外设
图 6. 增加了输入输出的JUC-3F教学模型计算机结构

相应地需要增加一些微命令,扩充后的微指令格式见表 4,增加的微命令位于F7字段,其中PSWoe和PSWcei微命令控制图 6中PSW和内部总线之间的信息传递,INTA微命令控制图 5的向量地址向数据总线的信息传递。SIE(Set IE)和CIE(Clear IE)微命令控制允许中断触发器,SIE将其置1,即开中断,CIE将其清零,即关中断。

表 4. 支持中断的JUC-3微指令格式及编码
F0:XXoe

(3位)
F1:XXce

(3位)
F2:ALU

(4位)
F3:PSW

(3位)
F4:S/D

(1位)
F5:SB

(2位)
F6:PC

(1位)
F7:Mem

(3位)
F8:BM

(3位)
F9: NA

(9位)

0:NOP

0:NOP

0:MOV

0:NOP

0:DST

0:NOP

0:NOP

0:NOP

1:PCoe

1:PCce

1:ADD

1:PSWce

1:SRC

1:ARce

1: PCinc

1:RD

2:DRoe

2:IRce

2:SUB

2:DRces

2:WR

3:GRSoe

3:GRSce

3:AND

3:DRce

3:INTA

4:RYoe

4:RYce

4:OR

4:PSWoe

5:ARoe

5:RXce

5:XOR

5:PSWcei

6:RFoe

6:RFce

6:SR

6:SIE

7:SPoe

7:SPce

7:SL

7:CIE

8:NOT

9:INC

A:DEC

B:ADDC

C:SUBB

实战:中断相关的微程序设计与调试

1. 编写中断隐指令的微程序的微程序

中断隐指令需完成的操作:

(1)保护PC,即PC入栈;

(2)保护PSW,即PSW入栈;

(3)中断响应信号INTA有效,从数据总线读中断向量地址VA;

(4)根据VA,取出中断服务程序的入口地址,送PC;

(5)关中断。

注意微地址不要和以前的微程序冲突。

2. 编写开中断指令(EI)和关中断指令(DI)的微程序

这两条指令的功能比较单一,微程序只要执行相应的SIE和CIE微命令即可。

3. 编写中断返回指令(RETI)的微程序

中断返回指令需完成的操作与中断隐指令相对应,可以理解为是中断响应隐指令的逆操作,包括:

(1)恢复PSW,即栈顶单元弹出到PSW;

(2)恢复PC,即栈顶单元弹出到PC;

(3)开中断。

4. 调试微程序

用下面的主程序和中断服务程序验证上面编写的微程序。

ORG 0030H
MOV #0050H, 0000H
MOV #FFFEH, FF00H
EI
L1: NOP
NOT FF02H
JMP L1
ORG 0050H
MOV FF08H, FF02H
INC FF01H
RETI

主程序中首先初始化中断向量表, INTR0的向量地址是0000H,用#0050H初始化0000H单元,表明INTR0(即PB0按键)中断服务程序的入口地址是0050H。FF00H是中断屏蔽寄存器的地址,用#FFFEH初始化中断屏蔽寄存器,表示允许INTR0中断请求,屏蔽其他中断请求。

0050H开始的是PB0按键的中断服务程序,该中断服务程序中,读取开关输入接口寄存器0的值,输出到红色LED输出接口寄存器中。

在开始执行后先用拨动开关设置数据,然后按PB0按键将开关状态保存到输入数据寄存器,同时发出中断请求,通过调试软件应能观察到中断请求信号REQ0已经产生,并且送给CPU的INTR为1;开中断指令执行后,通过调试软件应能观察到CPU的中断允许触发器IF为1。在NOP指令执行结束时检测到有中断请求并且允许中断,微程序转向执行中断隐指令。

5. 中断嵌套

尝试设计多重中断(中断嵌套)程序。