基本时序逻辑电路

实验目的

理解数据寄存器、移位寄存器和计数器的工作特性。

实验原理

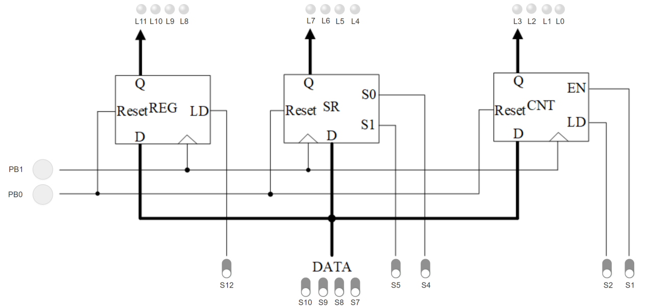
实验原理图如图 1

image
图 1. 基本时序逻辑电路实验原理图

VirtualBoard模块代码见清单 1,它实例化了三个模块:数据寄存器REG、移位寄存器SR和计数器CNT。这三个模块共用输入数据DATA。数据寄存器的设计见清单 2,移位寄存器的设计见清单 3,计数器的设计见清单 4。数据寄存器和移位寄存器采用参数化的方法定义数据宽度,以便在以后的课程设计中能够复用这些代码,通过传递参数就可以将数据宽度拓展为16位。

清单 1. 虚拟实验板模块
`default_nettype none 
module VirtualBoard (
    input  wire   CLOCK,      // 10 MHz Input Clock 
    input  wire  [19:0] PB,   // 20 Push Buttons, logical 1 when pressed
    input  wire  [35:0] S,    // 36 Switches
    output logic [35:0] L,    // 36 LEDs, drive logical 1 to light up
    output logic  [7:0] SD7,  // 8 common anode Seven-segment Display
    output logic  [7:0] SD6,
    output logic  [7:0] SD5,
    output logic  [7:0] SD4,
    output logic  [7:0] SD3,
    output logic  [7:0] SD2,
    output logic  [7:0] SD1,
    output logic  [7:0] SD0
); 

/** The input port is replaced with an internal signal **/
wire RESET  = PB[0];
wire CLK    = PB[1];
wire CNTinc = S[1];
wire CNTce  = S[2];
wire S0     = S[4];
wire S1     = S[5];
wire [3:0] DATA = S[10:7];
wire REGce  = S[12];

/************* The logic of this experiment *************/
wire [3:0] REG_Q, SR_Q, CNT_Q;
// Instantiating DataReg Module
DataReg #(4) REG(.iD(DATA), .oQ(REG_Q), .Clk(CLK), .Load(REGce), .Reset(RESET));
// Instantiating Shifter Module
Shifter #(4) SR(.iD(DATA), .oQ(SR_Q), .Reset(RESET), .Clk(CLK), .S1(S1), .S0(S0));
// Instantiating Counter Module
Counter #(4) CNT(.iD(DATA), .oQ(CNT_Q), .Reset(RESET), .Clk(CLK), .Load(CNTce), .Enable(CNTinc));

/****** Internal signal assignment to output port *******/
assign L[3:0]   = CNT_Q;
assign L[7:4]   = SR_Q; 
assign L[11:8]  = REG_Q;
// assign L[15:12] = BUS; 

endmodule
清单 2. 数据寄存器
module DataReg
#(parameter N=4)
(   output reg [N-1:0] oQ,
    input wire [N-1:0] iD,
    input wire Clk,
    input wire Load,
    input wire Reset
);
always @(posedge Clk or posedge Reset)
  begin
  	if (Reset)
		oQ = 0;	
  	else if (Load)
		oQ = iD;
  end
endmodule
清单 3. 移位寄存器
module Shifter
#(parameter N = 4)
(
	output wire [N - 1: 0] oQ,
	input  wire [N - 1: 0] iD,
	input  wire Clk, Reset,
	input  wire S1, S0
);	
reg [N-1:0] data;
always @(posedge Clk or posedge Reset)
begin
    if (Reset)
        data = 0;
    else
      case ({S1,S0})
        2'b11:  data = iD ;
        2'b10:  data = {oQ[N-2:0], 1'b0};
        2'b01:  data = {1'b0, oQ[N-1:1]};
        default:data = data;
      endcase
end
assign oQ = data;

endmodule
清单 4. 计数器
module Counter
#(parameter WIDTH = 4)
(
	input wire [WIDTH-1: 0] iD,
	input wire Reset, Clk, Load, Enable,
	output wire [WIDTH-1: 0] oQ
);
reg [WIDTH-1: 0] data;
always @(posedge Clk or posedge Reset)
begin
	if (Reset)
		data = 0;
	else if (Load)
		data = iD;
	else if (Enable)
		data = data + 1;
end
assign oQ = data;

endmodule

实验任务

  1. 熟悉数据寄存器的特性

  2. 熟悉移位寄存器的特性

  3. 熟悉计数器的特性