加减运算及特征标志

实验目的

  1. 掌握加减运算电路的基本结构,理解无符号数和补码加减运算;

  2. 理解标志位的含义,掌握溢出等标志位的实现方法。

实验原理

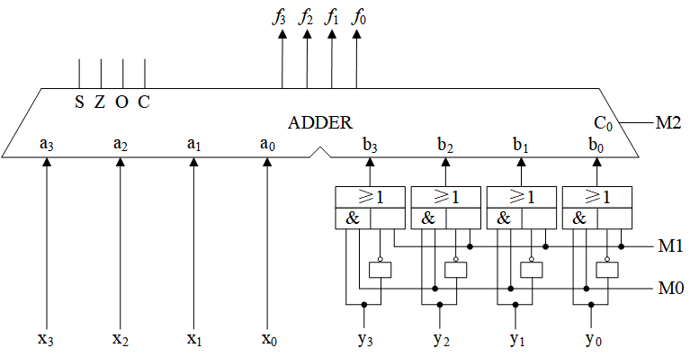
本实验设计的加减运算器以加法器为核心配合辅助逻辑实现加减运算,基本结构如图 1所示。

加减运算电路(去白边)
图 1. 加减运算电路实验原理图

加法器的Verilog HDL设计见清单 1。FLAG是运算结果的标志,由S、Z、O、C构成,分别表示结果为负、运算结果为零、运算结果溢出、运算结果产生进位,根据特征标志的含义和生成方法补充完成 清单 1的①②③处的空白部分。

清单 1. 加法器
/** The input port is replaced with an internal signal **/
wire M2   = S[11];
wire M1   = S[10];
wire M0   = S[9];
wire [3:0] X = S[7:4];
wire [3:0] Y = S[3:0];

/************* The logic of this experiment *************/
wire [3:0] A,B,F;
wire C0;
wire sign, zero, overflow, carryOut;
assign A = X;
assign B = (Y & {4{M0}}) | (~Y & {4{M1}});
assign C0 = M2;

assign {carryOut,F[3:0]} = A + B + C0;  
assign sign = ________;    (1)
assign zero = ________;    (2)
assign overflow = ________;(3)

/****** Internal signal assignment to output port *******/
assign L[3:0]  = B[3:0];
assign L[7:4]  = X[3:0]; 
assign L[12:9] = F;
assign L[26] = C0; 
assign L[21:18] = {sign, zero, overflow, carryOut};

预习要求

  1. 理解实验原理

    根据实验原理分析各种运算对应的控制信号,填入下表。

    运算指令

    运算功能

    运算控制信号

    M2

    M1

    M0

    传送X(MOV)

    F=X

    加法(ADD)

    F=X+Y

    减法(SUB)

    F=X-Y

    加1(INC)

    F=X+1

    减1(DEC)

    F=X-1

  2. 完成特征标志的生成代码

    根据特征标志的含义和生成方法补充完成清单 1的①②③处的空白部分。signzeroOverflow 分别表示结果为负、为零、溢出标志位。

实验任务

验证图 1加减运算电路的各项功能(包括特征标志),记录实验数据,分析实验结果。可以验证以下几个方面。

加法运算结果的特征标志

设置M2~M0为加法运算,按下表步骤操作,观察加法运算的结果,填入下表,并写出计算数和结果的真值。

X

Y

F

FLAG

运算数和运算结果的真值

S

Z

O

C

视为无符号数

视为补码

1000

0001

1001

1

0

0

0

8+1=9

(﹣8)+1=﹣7

1101

1100

0100

0010

0000

0000

1111

0001

0011

0101

1100

1011

1100

0101

0011

1011

1000

1000

提示:为方便分析运算结果,可以事先列出负数的4位补码与真值的对应关系:

补码

1000

1001

1010

1011

1100

1101

1110

1111

真值

实验现象分析:

着重分析无符号数加法运算结果是否溢出是由CF反映还是由OF反映,带符号数(补码)加法运算是否溢出是由CF反映还是由OF反映。理解同样的二进制编码既可以看做带符号数也可以看做无符号数,加减运算电路没有不同。

减法运算

减法运算是转换为加法计算的。设置M2~M0为减法运算,注意观察B操作数、C0和FLAG的CF(进位)标志位。

X

Y

B

F

CF

实验现象分析

0010

0001

0001

0010

实验现象分析:

注意观察减法运算是否应该产生借位和实际CF值的关系。

数据传送

设置M2~M0实现数据传送,使加法器的输出F=A。

X

Y

B

F

实验现象分析

1010

1111

0101

0000

实验现象分析:

传送功能的控制信号有什么特点。

加1和减1运算

X

Y

M2~M0

B

F

FLAG

实验现象分析

① INC

0010

0101

① INC

0010

1010

② DEC

0010

1010

② DEC

0010

0101

实验现象分析:

加1和减1功能可以不需要Y提供运算数“1”,而是通过控制信号M0~M2就可以实现。加1的“1”是如何产生的?“-1”的二进制编码有什么特点,减1的“-1”是如何产生?