算术逻辑单元

实验目的

  1. 理解算术逻辑单元(ALU)的组成结构;

  2. 理解移位的实现方法。

实验原理

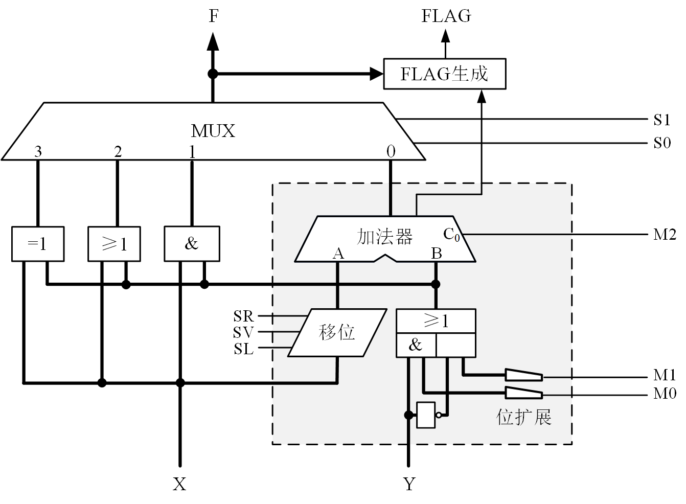
ALU是在加减运算电路的基础上, 扩充了移位运算和逻辑运算。实验电路结构如图 1

ALU原理图
图 1. ALU原理图

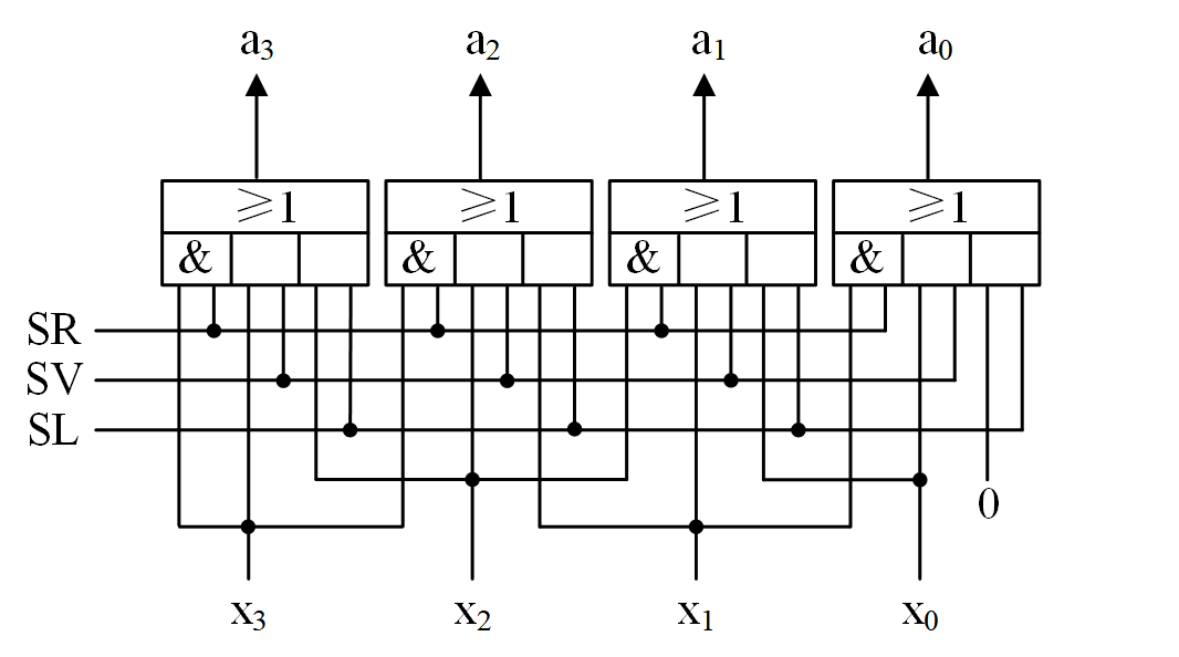
其中移位运算可以实现算术右移(SR)、逻辑左移(SL)和不移位(SV),电路结构如图 2。移位电路扩充在加法器的A输入端,通过控制M0、M1、M2均为0,使加法器的B和C0端均为0,从而将移位电路输出到加法器A端的数据传送到加法器的输出。

移位运算电路(4位)_300dpi
图 2. 移位运算电路

移位逻辑的Verilog描述见清单 1

清单 1. ALU移位逻辑描述
assign A = X & {N{SV}} | {X[N-1],X[N-1:1]} & {N{SR}} | {X[N-2:0],1'b0} & {N{SL}}; 

逻辑运算由与门、或门和异或门实现,并通过一个四选一多路器选择运算的功能。逻辑运算的一个运算数来自X,而另一个运算数并不是直接来自Y而是来自B,这是为了利用M0和M1均为1时B端为(1111)2的特性,从而可以用异或门实现对X的取反。

预习要求

  1. 理解电路原理

    根据图 1 ALU原理图自己总结控制信号与运算功能的对应关系填写下表,其中ASR、SHL、INC、DEC和NOT要求均为单操作数运算,即Y的取值不会影响运算结果。

    运算

    功能描述

    SR

    SV

    SL

    M2

    M1

    M0

    S1

    S0

    F=X

    传送X(MOV)

    F=X+Y

    加法(ADD)

    F=X-Y

    减法(SUB)

    F=X∧Y

    逻辑与(AND)

    F=X∨Y

    逻辑或(OR)

    F=X⊕Y

    逻辑异或(XOR)

    F=X/2

    算术右移(ASR)

    F=2X

    左移(SHL)

    F=

    逻辑非(NOT)

    F=X+1

    加1(INC)

    F=X-1

    减1(DEC)

  2. 完成逻辑运算的HDL代码

    清单 2 VirtualBoard.sv中①②③处的空白部分填上逻辑运算的运算符。

    清单 2. ALU运算逻辑描述
    always_comb 
    begin
       case ({S1,S0})
          2'b00: result = A + B + C0;        
          2'b01: result = {1'b0, (X ___ B)}; (1)
          2'b10: result = {1'b0, (X ___ B)}; (2)
          2'b11: result = {1'b0, (X ___ B)}; (3)
          default: result = {(N+1){1'bx}};
       endcase
    end
    1 逻辑与
    2 逻辑或
    3 逻辑异或

实验任务

设计验证方案对ALU的功能进行验证,记录实验数据,分析实验结果。