通用寄存器组

实验目的

理解单端口寄存器组的电路结构。

实验原理

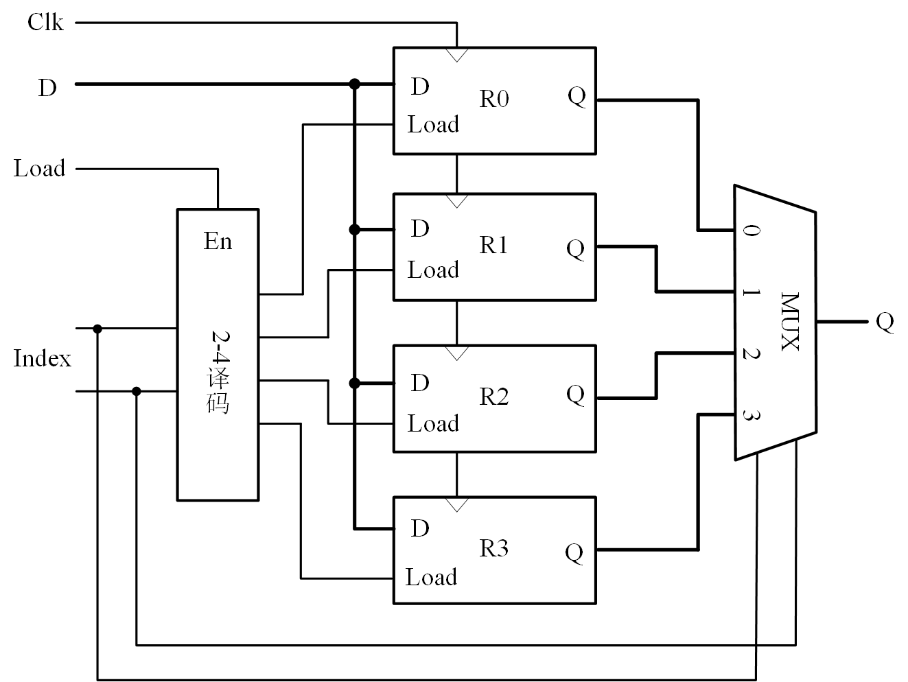
CPU内部通常包含若干个通用寄存器(Genral Register),以暂存参加运算的数据和中间结果。这些寄存器的集合就称为寄存器组(Register Set)。为方便访问其中的寄存器,对寄存器堆中的寄存器进行统一编码,称为寄存器号(Index)或者寄存器地址。图 1给出了一个通用寄存器组(GRS)的电路结构。

寄存器组
图 1. 单端口寄存器组的电路结构

它包含4个寄存器(R0~R1),每个寄存器存储4位二进制信息。寄存器组具有一个读数据端口Q和一个写数据端口D,但是地址端口Index是读写共用的,所以仍然属于单端口寄存器组。Load是地址译码器的使能信号,Load为1时,地址译码器根据Index选择某一个寄存器,使其在时钟到来时装入D端口的数据;当Load为0时,地址译码器的输出均为0,所有寄存器的内容均不会改变。HDL代码的主体结构见清单 1

清单 1. 单端口寄存器组
    localparam N = 4;   // 寄存器字长
    // 2-4 decode
    logic load3, load2, load1, load0;
	 always_comb begin
		if (Load)
			case (Index)
				2'b00: {load3, load2, load1, load0} = 4'b0001;
				(1)
				(2)
				(3)
				default: {load3, load2, load1, load0} = 4'bx;
			endcase
		else
			{load3, load2, load1, load0} = 4'b0000;
	end

    // register instantiation
    logic [N-1:0] R0_Q, R1_Q, R2_Q, R3_Q;
    DataReg #(N) R0(.oQ(R0_Q), .iD(Data), .Clk(clk), .Load(load0), .Reset(1'b0));
    (4)
    (5)
    (6)

    // 4-1 MUX
    logic  [N-1:0] GRS_Q;
    always_comb 
    begin
        case (Index)
            2'b00: GRS_Q = R0_Q;
            (7)
            (8)
            (9)
            default: GRS_Q = {N{1'bx}};
        endcase
    end

预习要求

完成清单 1 VirtualBoard.sv模块中①~⑨处的HDL代码。

实验任务

设计验证方案对寄存器组的功能进行验证,记录实验数据,分析实验结果。