存储器组织

实验目的

掌握存储器的结构和存储器的字位扩展方式。

实验原理

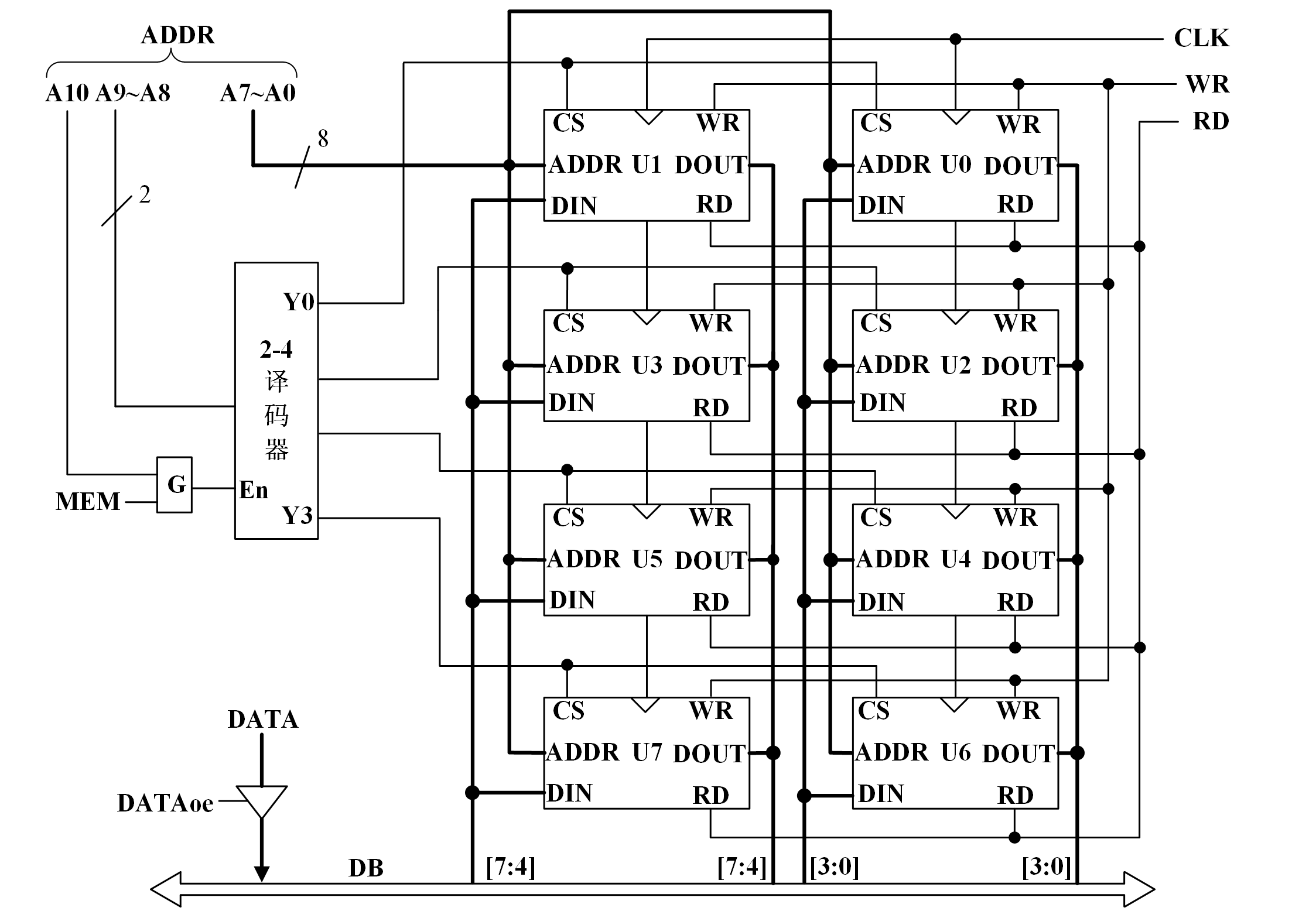
假设CPU的主存空间为2K×8,实验中的基本存储模块为256×4位,采用字位扩展方式构成1K×8的存储器,位于整个2K主存空间的较低1K空间,原理图如图 1所示,8个256×4位的存储芯片采用字位扩展方式构成1K×8的存储器。 ADDR为地址输入端,高两位地址通过译码产生片选信号,低8位地址与存储芯片的地址端相连,DATA为数据输入端,存储芯片的数据输出端与总线DB相连。

主存储器组织300dpi
图 1. 主存储器组织实验原理图

RAM模块设计

模拟一般的静态RAM芯片的引脚,RAM模块的端口设计有地址输入(ADDR)、数据输入(DIN)、数据输出(DOUT)、写使能(WR)、读使能(RD)、片选(CS)。和普通SRAM芯片不同的是,FPGA内部的RAM模块设计为同步存储器,还有一个时钟输入(CLK)端口。设计代码见清单 1。片选信号控制“芯片”是否工作,片选无效时,不能进行读写操作,DOUT输出为高阻态;片选有效时,允许写入和读出。

清单 1. 256×4位的RAM模块
module  RAM 
#(parameter ADDR_SIZE = 8, parameter DATA_SIZE = 4)
(
	output wire [DATA_SIZE-1:0] DOUT,
  	input wire [DATA_SIZE-1:0] DIN,
  	input wire [ADDR_SIZE-1:0] ADDR,
    input wire CLK,
    input wire CS,
    input wire RD,
  	input wire WR 
 );
	localparam MEM_DEPTH = 1 << ADDR_SIZE;
	reg [DATA_SIZE-1:0] mem [0 : MEM_DEPTH-1];
	reg [ADDR_SIZE-1:0] read_addr;

	always @(posedge CLK)  
  begin
		read_addr <= ADDR;   //有这句读地址锁存,Altera综合工具才能推断为 Single Port RAM 块。
		if (CS & WR)
      mem[ADDR] = DIN;
	end
    
  assign DOUT = (CS & RD) ? mem[read_addr] : {DATA_SIZE{1'bz}};
    
endmodule

虚拟实验板模块

虚拟实验板模块按照图 1原理图设计主存储器。实例化若干个256×4位RAM模块,并设计一个2-4译码器,连接成1K×8位的存储器。设计代码见清单 2

清单 2. 存储器组织
//输入端口赋值给内部信号
wire CLK = PB[0];
wire [7:0]  DATA  = S[7:0];
wire [10:0] ADDR  = S[18:8];
wire WR      = S[19];
wire RD      = S[20];
wire MEM     = S[21];
wire DATAoe  = S[22];

//总线缓冲
wire [7:0] DB = DATAoe ? DATA : 8'bzzzzzzzz;

//译码器的使能信号
logic en;
assign en = MEM & ~ADDR[10];

//高2位地址经过2-4译码器产生各RAM块的片选信号    
logic [3:0] Y;
always_comb
begin
   if (en)
      case(ADDR[9:8])
        0: Y = 4'b0001;
        1: Y =        ; (1)
        2: Y =        ;
        3: Y =        ; (2)
        default: Y = 4'bxxxx;
      endcase
   else
      Y = 4'b0000;
end

//模块实例, 256x4位扩展为 1Kx8
RAM #(8,4) U0(.CS(Y[0]), .WR(WR), .RD(RD), .CLK(CLK), .ADDR(ADDR[7:0]), .DIN(DB[3:0]), .DOUT(DB[3:0]));
RAM #(8,4) U1(.CS(Y[0]), .WR(WR), .RD(RD), .CLK(CLK), .ADDR(ADDR[7:0]), .DIN(DB[7:4]), .DOUT(DB[7:4]));

RAM #(8,4) U2(.CS(    ), .WR(WR), .RD(RD), .CLK(CLK), .ADDR(         ), .DIN(       ), .DOUT(       )); (3)
RAM #(8,4) U3(.CS(    ), .WR(WR), .RD(RD), .CLK(CLK), .ADDR(         ), .DIN(       ), .DOUT(       ));

RAM #(8,4) U4(.CS(    ), .WR(WR), .RD(RD), .CLK(CLK), .ADDR(         ), .DIN(       ), .DOUT(       ));
RAM #(8,4) U5(.CS(    ), .WR(WR), .RD(RD), .CLK(CLK), .ADDR(         ), .DIN(       ), .DOUT(       ));

RAM #(8,4) U6(.CS(    ), .WR(WR), .RD(RD), .CLK(CLK), .ADDR(         ), .DIN(       ), .DOUT(       ));
RAM #(8,4) U7(.CS(    ), .WR(WR), .RD(RD), .CLK(CLK), .ADDR(         ), .DIN(       ), .DOUT(       )); (4)

//内部信号赋值给输出端口(指示灯)观察
assign L[7:0]  = DB ; 
assign L[21:18]= Y;
assign L[17] = en;

预习要求

(1)分析图 1中2-4译码器输出的4个片选信号所对应的地址范围,以16进制形式填入下表。

起始地址(H)

结束地址(H)

Y0

000

Y1

Y2

Y3

(2)认真阅读、理解实验原理,将清单 2中①~②之间和③~④之间的Verilog HDL设计代码补充完整。

实验任务

设计验证方案完成以下验证目标。记录实验数据,分析实验结果。

  1. 产生片选信号

  2. 存储器的写操作和读操作